Pri tvorbe výkresovej dokumentácie sa užívatelia často stretávajú hlavne so zdĺhavosťou pri ich úprave, najmä kótovaní jednotlivých výkresov, označovaní jednotlivých vetiev resp. zariadení. Ďalšou nevýhodou pri úprave 3D modelu je nutné opäť zoradiť kótovacie čiary, doplniť chýbajúce údaje a podobne. V tomto článku si bližšie predstavíme nástroj, ktorý je práve určený na urýchlenie a zefektívnenie práce. Týmto nástrojom je OrthoGen od spoločnosti Hexagon. Jedná sa o doplnok pre CadWorx Plant, kde po zakúpení a inštalácií tohto doplnku má užívateľ silný nástroj na automatické kótovanie a označovanie výkresov.
Samotný OrthoGen sa po inštalácií umiestni na nový pás záložiek do programu Cadworx Plant. Ukážku Orthogenu v programe Cadworx môžeme vidieť na nasledovnom obrázku.

Kliknutím na ikonu “Manage views” sa otvorí okno so správou pohľadov, kde si užívateľ pre správnu funkčnosť pohľadovej kocky nastaví vrchný a predný pohľad. Vytvorením vrchného a predného pohľadu si užívateľ môže zvoliť na daných pohľadoch požadovaný výrez. Pre čo najpresnejšie zadanie je možné tento výrez spresniť hodnotami v tabuľke.

Takto vytvorený pohľad s výrezom je možné priamo zobraziť aj v modelovom priestore.

Nastavený pohľad je možné uložiť, poprípade ľubovoľne spravovať. Jednoduchým kliknutím sa vloží požadovaný smer a pohľad do papierového priestoru. Na jednom papierovom liste môžeme mať ľubovoľný počet takýchto pohľadov, avšak treba rátať s tým, že s väčším množstvom pohľadov sa môže predĺžiť čas na automatické okótovanie.

Pripravené pohľady v papierovom priestore sú následne pripravené na ďalšiu prácu s Orthogenom. Po spustení ikony “Launch orthogen” na záložke Orthogen sa zobrazí správca štýlov, kde má užívateľ možnosť nastaviť požadovaný kótovací štýl, správanie kótovacích štýlov, možnosti zobrazovania osí poprípade automatické vypĺňanie reportov do tabuliek.

Dodatočne je na záložke nastavení možné špecifikovať požadované hodnoty projektu napr.: na akej verzii spúšťame Orthogen, jednotky a pod. Každý preddefinovaný štýl patrí do špecifickej kategórie, pričom užívateľ má možnosti ľubovoľnej tvorby vlastných štýlov pre danú kategóriu. V každom štýle je možné nastaviť nasledovné podkategórie:
- Pohľady
- Kótovanie
- Osi
- Zariadenia
- Hrdlá
- MaR
- Potrubia
- Uloženia
- Odbočky a kolená
- Ventily
- Redukcie
- Príruby
- Oceľové konštrukcie
- Príruby
- Káblové trasy a lávky
- Vzduchotechnické potrubie
Každé z týchto podkategórií obsahuje možnosti vnútorných a vonkajších umiestnení popisov, umiestnení kót, definície textu a čiar.

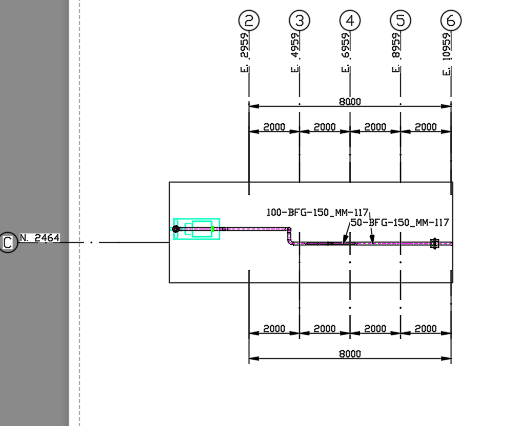
Medzi zaujímavé funkcie patrí vytvorenie osového rozstupu, ktorý má užívateľ nakreslený na ľubovoľnom výkrese, pričom jedinou podmienkou je mať vložený osový kríž. Následne program dokáže rozpoznať nielen osi ale aj jednotlivý text na osiach. Po spustení Orthogenu sa automaticky tento kríž zobrazí a ak užívateľ požaduje aj zakótuje.
Ďalšou veľmi zaujímavou a efektívnou funkciou je automatické generovanie reportov pre rôzne komponenty ako sú potrubia, zariadenia, hrdlá, ventily a iné. Užívateľovi stačí mať predpripravenú tabuľku do ktorej sa tieto hodnoty budú vypĺňať.

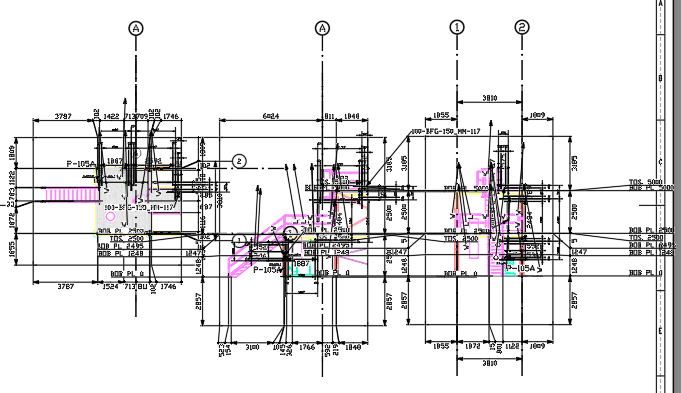
Samotné spustenie požadovaného štýlu je otázka jedného kliknutia. Samozrejme, odporúčame celý štýl prekontrolovať a poprípade kóty, popisky a text upraviť podľa požiadavky. Na nasledujúcom obrázku môžeme vidieť ukážkový okótovaný výkres, ktorý bol vytvorený za necelú minútu (aplikovaním požadovaných predpripravených štýlov).

Použitím jedného štýlu sa prepíše existujúci, tým pádom sa na výkrese zobrazí len posledný použitý.
Štýly sa dajú aj kombinovať a tým užívateľ môže vyprodukovať dokonalý 2D výkres v priebehu niekoľkých minút.
Okrem okótovania a označenia 2D výkresov dokáže produkt Orthogen označovať aj 3D komponenty v modelovom priestore. Takto otagovaný výkres je možné cez produkt Navisworks, alebo Design review poskytnúť ďalším užívateľom.

Ak Vás produkt Orthogen od spoločnosti Hexagon zaujal, bude bližšie popísaný a ukázaný aj na našej akcii užívateľov potrubných systémov Pipefórum 2018 13.-14. marca v Mikulove. Ak by ste sa na tejto akcií nemohli zúčastniť, neváhajte nás kontaktovať a firma Cadvision Vám urobí prezentáciu daného softvéru priamo vo Vašej firme.



You must be logged in to post a comment.